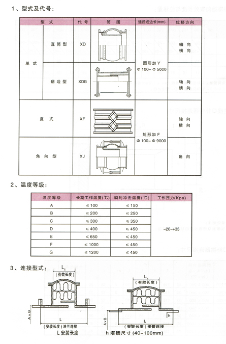
用途:非金屬補償器也叫織物補償器(纖維織物補償器)可補償軸向、角向,具有無推力、簡化支座設計、_、_、消聲減震等特點,特別適用于熱風管道及煙塵管道。
連接方式:①法蘭連接式 ②接管連接式
織物補償器(纖維織物補償器)類型:①復式 ②角向型 ③方型
一、織物補償器(纖維織物補償器)的主要特點有以下幾個方面:
1、補償熱膨脹:可以補償多方向,大大優于只能單式補償的金屬補償器。
2、補償安裝誤差:由于管道連接過程中,系統誤差再所難免,纖維織物補償器較好的補償了安裝誤差。
3、消聲減振:纖維織物、保溫棉體本身具有吸聲、隔震動傳遞的功能,能有效的減少鍋爐、風機等系統的噪聲和震動。
4、無反推力:由于主體材料為纖維織物,無力的傳遞。用纖維織物補償器可簡化設計,避免使用大的支座,節省大量的材料和勞動力。
5、良好的_、_性:選用的氟塑料、有機硅材料具有較好的_和_性能。
6、密封性能好:纖維織物補償器有比較完善的生產裝配系統,可_無泄露。
7、體輕、結構簡單、安裝維修方便。
8、織物補償器價格低于金屬補償器、質量優于進口產品。價格是進口產品的1/2——1/5。
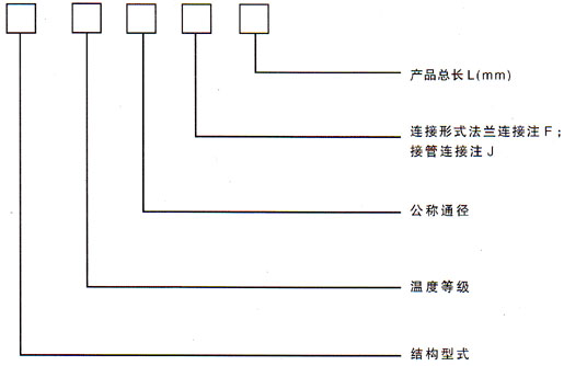
二、型號示例
例:
(1)FXDA4500×4000F400
表示方形非金屬補償器,長期工作≤100℃,內壁為4500×4000mm,法蘭連接,產品長度400mm
(2)YXDB800F250
表示圓形非金屬補償器,長期工作≤200℃,內徑為DN800mm,法蘭連接的補償器,長度為250mm